|

Соосно-цилиндрические мотор-редукторы Motovario (Мотоварио) CH041, CH051, CH061, CH081, CH101, CH121, CH032, CH042, CH052, CH062, CH082, CH102, CH122, CH142, CH033, CH043, CH053, CH063, CH083, CH103, CH123, CH143: характеристики, устройство, принцип работы, цена |
|
Соосно-цилиндрические мотор-редукторы Motovario серии CH имеют восемь типоразмеров, одно, двух и трехступенчатое исполнение. Редукторы комплектуются электродвигателями 0,12 - 45 кВт, что позволяет развивать момент в диапазоне 6-8000 Нм. Наличие одной или нескольких ступеней редукции позволяет получить большой ассортимент передаточных чисел в диапазоне от 1,2 до 280. Редуктор имеет прочный чугунный корпус, окрашенный в голубой цвет. Редуктор можно устанавливать на лапы или на опорный фланец. Применяются редукторы во многих отраслях промышленности, где требуется высокая надежность и долговечность.
Передаточное отношение от 1,2 до 280
Крутящий момент от 6 Нм до 8000 Нм
Мощность электродвигателя 0,12 кВт до 45 кВт
Motovario CH - корпус из серого чугуна |
|

Система обозначения мотор-редукторов серии CH
CH |
-04 |
- 2 |
-U |
-31,5 |
45 |
-80B4 |
-0,75 |
-B3 |
-B14 |
ПКК:1 |
1 |
2 |
3 |
4 |
5 |
6 |
7 |
8 |
9 |
10 |
11 |
1 – Серия мотор-редуктора CH
2 – Типоразмер (CH041, CH041, CH051, CH061, CH081, CH101, CH121, CH032, CH042, CH052, CH062, CH082, CH102, CH122, CH142, CH033, CH043, CH053, CH063, CH083, CH103, CH123, CH143)
3 – Количество ступеней (1, 2, 3)
4 – Вариант крепления (U - комбинированное исполнение (лапы+фланец), F - выходной фланец, М - на лапах с нижним расплоложением вала)
5 – Номинальное передаточное отношение редуктора
6 – Число оборотов выходного вала, об/мин
7 – Габарит электродвигателя
8 – Мощность электродвигателя, kW
9 – Монтажное положение (В3, В6, В7, В8, V1, V3, V5, V6)
10 – Тип присоединительного фланца электродвигателя (B5 - большой фланец, B14 – малый фланец)
11 – Положение клемной коробки электродвигателя |
Типоразмер |
D - выходного вала,мм |
CH041 |
19 |
CH051 |
24 |
CH061 |
28 |
CH081 |
38 |
CH101 |
48 |
CH121 |
55 |
CH032 |
25 |
CH042 |
30 |
CH052 |
35 |
CH062 |
40 |
CH082 |
50 |
CH102 |
60 |
CH122 |
70 |
CH142 |
90 |
CH033 |
25 |
CH043 |
30 |
CH053 |
35 |
CH063 |
40 |
CH083 |
50 |
CH103 |
60 |
CH123 |
70 |
CH143 |
90 |
|
Монтажные положения
Вес редукторов серии, кг
Выходные обороты и мощность электродвигателей (кВт) pdf.
Габаритные и присоединительные размеры
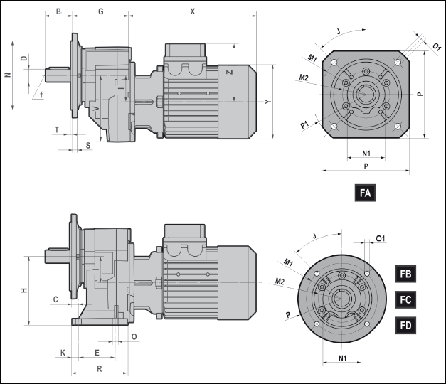
Одноступенчатые мотор-редукторы на лапах CH041, CH051, CH061, CH081, CH101, CH121

Редукторы с нижним расположением выходного вала

Редукторы с выходным фланцем

|
B |
C |
D |
E |
F |
F1 |
G |
H |
H1 |
I |
K |
M |
041 |
40 |
13 |
19 j6 |
45 |
168,5 |
168 |
100 |
120 |
50 |
42 |
12 |
105 |
051 |
50 |
13 |
24 j6 |
70 |
183,5 |
189 |
110 |
130 |
63 |
50 |
12 |
150 |
061 |
60 |
16 |
28 j6 |
70 |
231 |
216 |
125 |
165 |
80 |
60 |
14 |
165 |
081 |
80 |
25 |
38 k6 |
85 |
277 |
284 |
135 |
195 |
100 |
80 |
23 |
185 |
101 |
110 |
19 |
48 k6 |
130 |
355 |
377 |
180 |
252 |
125 |
100 |
17 |
240 |
121 |
110 |
25 |
55 m6 |
150 |
422 |
426.5 |
210 |
300 |
160 |
115 |
22 |
280 |
|
N |
N1 |
0 |
Q |
Q1 |
R |
R1 |
S |
S1 |
V~ |
b |
t |
f |
041 |
130 |
125 |
9 |
74 |
55 |
86.5 |
98 |
9.5 |
8 |
118 |
6 |
21.5 |
M6 |
051 |
178 |
178 |
11 |
100 |
121.5 |
106 |
109 |
11.5 |
14 |
126 |
8 |
27 |
M8 |
061 |
195 |
195 |
11 |
110 |
135.5 |
120 |
123 |
15 |
16 |
136 |
8 |
31 |
M10 |
081 |
230 |
232 |
14 |
123 |
151 |
130 |
135 |
15 |
20 |
184 |
10 |
41 |
M12 |
101 |
295 |
295 |
18 |
162 |
185.5 |
173 |
178 |
16 |
22 |
251.5 |
14 |
51.5 |
M16 |
121 |
340 |
340 |
18 |
183 |
224 |
202 |
207 |
19 |
25 |
266.5 |
16 |
59 |
M20 |
|
|
J |
M1 |
M2 |
N |
N1 |
01 |
P |
P1 |
S |
T |
041
051 |
FA |
45 |
165 |
85 |
130 f8 |
70 |
11 |
160 |
200 |
9 |
3,5 |
FB |
45 |
130 |
85 |
110 f8 |
70 |
9 |
160 |
/ |
9 |
3,5 |
FC |
45 |
115 |
85 |
95 f8 |
70 |
9 |
140 |
/ |
9 |
3 |
FD |
45 |
100 |
85 |
80 f8 |
70 |
M8 |
120 |
/ |
9 |
3 |
061 |
FA |
45 |
215 |
105 |
180 f8 |
90 |
14 |
200 |
250 |
12 |
4 |
FB |
45 |
165 |
105 |
130 f8 |
90 |
11 |
200 |
/ |
12 |
3,5 |
FC |
/ |
/ |
/ |
/ |
/ |
/ |
/ |
/ |
/ |
/ |
081
101 |
FA |
45 |
265 |
130 |
230 f8 |
110 |
14 |
250 |
300 |
15 |
4 |
FB |
45 |
215 |
130 |
180 f8 |
110 |
14 |
250 |
/ |
15 |
4 |
FC |
45 |
165 |
130 |
130 f8 |
110 |
11 |
200 |
/ |
15 |
3,5 |
121 |
FA |
45 |
300 |
165 |
250 f8 |
130 |
18 |
300 |
350 |
16 |
5 |
FB |
45 |
265 |
165 |
230 f8 |
130 |
14 |
300 |
/ |
16 |
4 |
FC |
45 |
215 |
165 |
180 f8 |
130 |
14 |
250 |
/ |
16 |
4 |
Назад
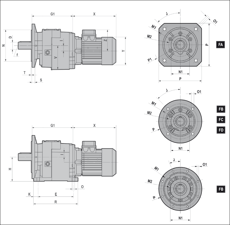
Двух и трехступенчатые мотор-редукторы на лапах CH032, CH042, CH052, CH062, CH082, CH102, CH122, CH142, CH033, CH043, CH053, CH063, CH083, CH103, CH123, CH143

Редукторы с выходным фланцем

|
B |
C |
D |
E |
F |
G |
G1 |
H |
I |
K |
030 |
50 |
25 |
25 j6 |
130 |
169 |
141 |
150 |
90 |
9.2 |
15 |
040 |
60 |
30 |
30 j6 |
165 |
189 |
152 |
152 |
115 |
18 |
15 |
050 |
70 |
30 |
35 k6 |
165 |
192 |
187 |
187 |
115 |
25.5 |
18 |
060 |
80 |
35 |
40 k6 |
205 |
234 |
236 |
236 |
140 |
31 |
25 |
080 |
100 |
40 |
50 k6 |
260 |
292 |
272.5 |
272.5 |
180 |
31 |
27.5 |
100 |
120 |
40 |
60 m6 |
310 |
364 |
316 |
316 |
225 |
35.5 |
27.5 |
125 |
140 |
45 |
70 m6 |
370 |
399 |
376.5 |
376.5 |
250 |
47.5 |
35 |
140 |
170 |
50 |
90 m6 |
410 |
490 |
430 |
430 |
315 |
45 |
40 |
|
M |
N |
O |
Q |
R |
S |
V~ |
b |
t |
f |
030 |
110 |
140 |
11 |
60 |
160 |
15 |
92 |
8 |
28 |
M10 |
040 |
135 |
170 |
14 |
85 |
195 |
15 |
115 |
8 |
33 |
M10 |
050 |
135 |
185 |
14 |
80 |
201 |
18 |
116 |
10 |
38 |
M12 |
060 |
170 |
220 |
16 |
100 |
255 |
20 |
140 |
12 |
43 |
M16 |
080 |
215 |
280 |
18 |
140 |
315 |
25 |
180 |
14 |
53.5 |
M16 |
100 |
250 |
330 |
22 |
159 |
365 |
30 |
227 |
18 |
64 |
M20 |
125 |
290 |
406 |
26 |
185.5 |
440 |
35 |
253 |
20 |
74.5 |
M20 |
140 |
340 |
450 |
26 |
230 |
490 |
35 |
320 |
25 |
95 |
M20 |
|
|
J |
M1 |
M2 |
N |
N1 |
O1 |
P |
P1 |
S |
T |
030
040 |
FA |
45 |
ø 165 |
ø 85 |
130 f8 |
70 |
11 |
ø 160 |
ø 200 |
9 |
3,5 |
FB |
45 |
ø 130 |
ø 85 |
110 f8 |
70 |
9 |
ø 160 |
/ |
9 |
3,5 |
FC |
45 |
ø 115 |
ø 85 |
95 f8 |
70 |
9 |
ø 140 |
/ |
9 |
3 |
FD |
45 |
ø 100 |
ø 85 |
80 f8 |
70 |
M8 |
ø 120 |
/ |
9 |
3 |
050 |
FA |
45 |
ø 215 |
ø 105 |
180 f8 |
90 |
14 |
ø 200 |
ø 250 |
12 |
4 |
FB |
45 |
ø 165 |
ø 105 |
130 f8 |
90 |
11 |
ø 200 |
/ |
12 |
3,5 |
FC |
/ |
/ |
/ |
/ |
/ |
/ |
/ |
/ |
/ |
/ |
060 |
FA |
45 |
ø 265 |
ø 130 |
230 f8 |
110 |
14 |
ø 250 |
ø 300 |
15 |
4 |
FB |
45 |
ø 215 |
ø 130 |
180 f8 |
110 |
14 |
ø 250 |
/ |
15 |
4 |
FC |
45 |
ø 165 |
ø 130 |
130 f8 |
110 |
11 |
ø 200 |
/ |
15 |
3,5 |
080 |
FA |
45 |
ø 300 |
ø 165 |
250 f8 |
130 |
18 |
ø 300 |
ø 350 |
16 |
5 |
FB |
45 |
ø 265 |
ø 165 |
230 f8 |
130 |
14 |
ø 300 |
/ |
16 |
4 |
FC |
45 |
ø 215 |
ø 165 |
180 f8 |
130 |
14 |
ø 250 |
/ |
16 |
4 |
100 |
FA |
/ |
/ |
/ |
/ |
/ |
/ |
/ |
/ |
/ |
/ |
FB |
45 |
ø 300 |
ø 185 |
250 f8 |
150 |
18 |
ø 350 |
/ |
18 |
5 |
FC |
45 |
ø 265 |
ø 185 |
230 f8 |
150 |
14 |
ø 300 |
/ |
18 |
4 |
125 |
FA |
/ |
/ |
/ |
/ |
/ |
/ |
/ |
/ |
/ |
/ |
FB |
45 |
ø 350 |
ø 200 |
300 f8 |
170 |
18 |
ø 400 |
/ |
18 |
5 |
FC |
/ |
/ |
/ |
/ |
/ |
/ |
/ |
/ |
/ |
/ |
140 |
FA |
/ |
/ |
/ |
/ |
/ |
/ |
/ |
/ |
/ |
/ |
FB |
22,5 |
ø 400 |
ø 245 |
350 f8 |
210 |
18 |
ø 450 |
/ |
25 |
5 |
FC |
45 |
ø 350 |
ø 245 |
300 f8 |
210 |
18 |
ø 400 |
/ |
25 |
5 |
Назад
Монтажные положения

Положение клемной коробки эл.двигателя

Назад
Вес редукторов серии CH, кг
H
PH |
030 |
040 |
041 |
050 |
051 |
060 |
061 |
080 |
081 |
100 |
101 |
121 |
125 |
110 |
063 |
8,4 |
10,9 |
/ |
16,0 |
/ |
/ |
/ |
/ |
/ |
/ |
/ |
/ |
/ |
/ |
071 |
8,8 |
11,3 |
4,8 |
16,4 |
6,7 |
27,0 |
/ |
/ |
/ |
/ |
/ |
/ |
/ |
/ |
080-090 |
9,4 |
11,9 |
5,4 |
17,0 |
7,3 |
29,1 |
9,3 |
49,1 |
19,3 |
77,6 |
/ |
/ |
/ |
/ |
100-112 |
13,7 |
16,2 |
/ |
21,3 |
11,6 |
31,2 |
13,6 |
51,2 |
21,3 |
79,9 |
32,7 |
/ |
109,5 |
/ |
132 |
/ |
/ |
/ |
/ |
/ |
33,9 |
/ |
53,2 |
23,9 |
82,7 |
35,5 |
36,8 |
112,3 |
177,0 |
160-180 |
/ |
/ |
/ |
/ |
/ |
/ |
/ |
60,5 |
/ |
88,7 |
41,5 |
42,8 |
118,3 |
184,9 |
200 |
/ |
/ |
/ |
/ |
/ |
/ |
/ |
/ |
/ |
/ |
/ |
57,8 |
133,3 |
199,1 |
225 |
/ |
/ |
/ |
/ |
/ |
/ |
/ |
/ |
/ |
/ |
/ |
/ |
/ |
200,9 |
|
| |
|
| ©
2014 Редукторы, мотор-редукторы, устройства плавного пуска, преобразователи частоты |
|
|