Одноступенчатый мотор-редуктор CM063 серии TRANSTECNO

 

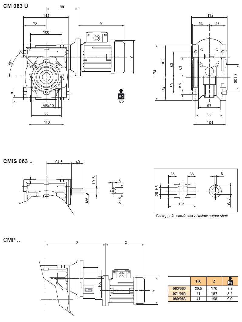
Одноступенчатый червячный мотор-редуктор CM063 имеет небольшие габаритные размеры и вес. Корпус редуктора изготовлен из прочных материалов и не боится коррозий. Тихоходный вал сквозной диаметром 25 мм. Качественная обработка червячной пары избавила редуктор от ненужного шума во время работы.

Назад

Одноступенчатый мотор-редуктор CM063 серии TRANSTECNO

Назад

 
© 2014 Редукторы, мотор-редукторы, устройства плавного пуска, преобразователи частоты