Червячный мотор-редуктор CM110 (TRANSTECNO)

 

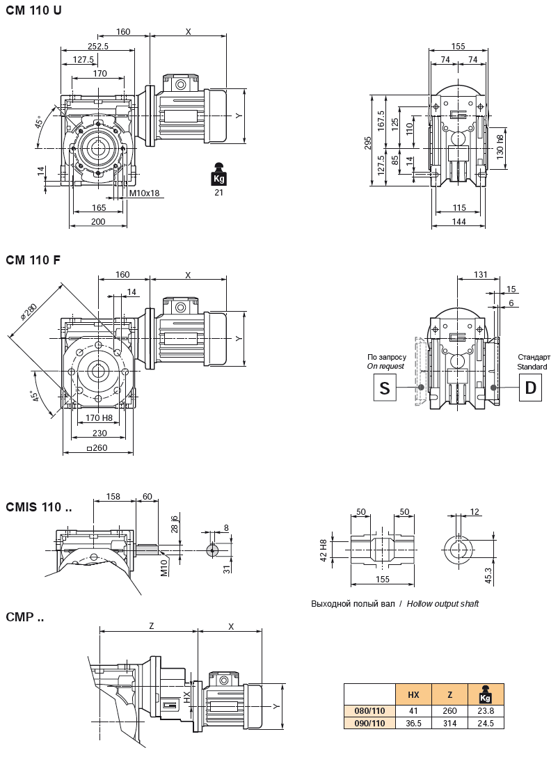
Червячный одноступенчатый мотор-редуктор CM110 позволяет передавать большой крутящий момент от двигателя к различным машинам и агрегатам, при этом сохраняются компактные размеры и небольшой вес. На редукторе имеется полый вал диаметром 42 мм.

Назад

Червячный мотор-редуктор CM110 (TRANSTECNO)

Назад

 
© 2014 Редукторы, мотор-редукторы, устройства плавного пуска, преобразователи частоты