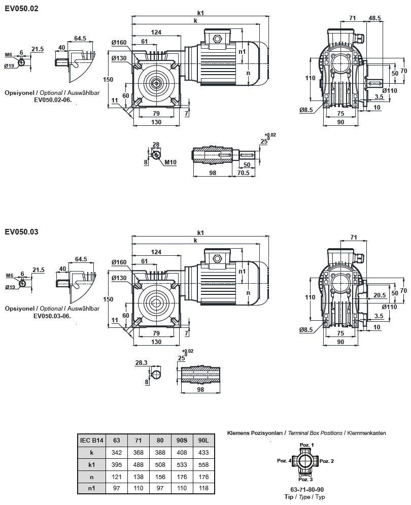
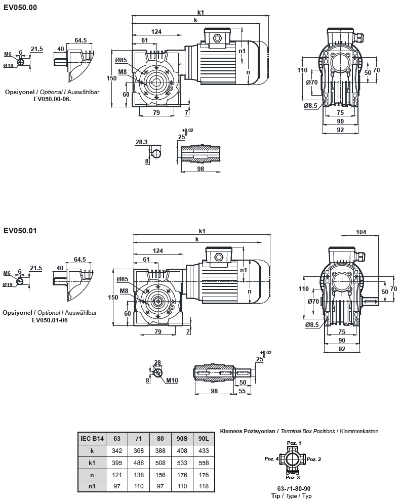
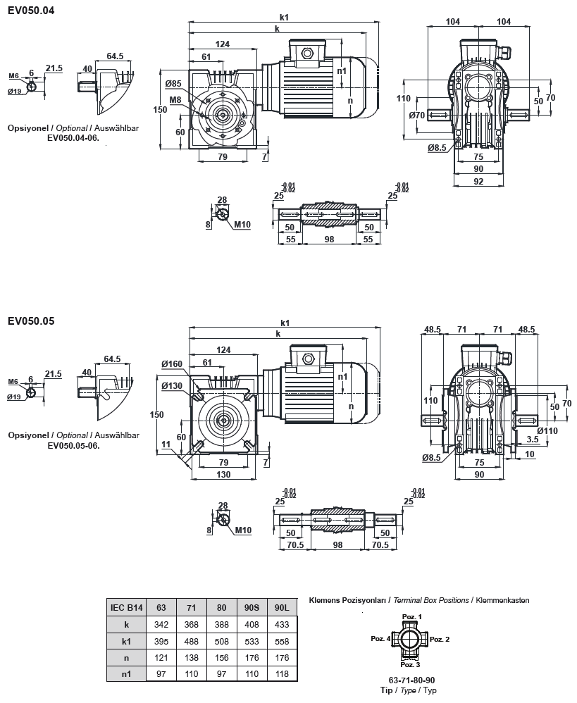
Червячный мотор-редуктор EV050 (EN050)
Назад
Назад
© 2014 Редукторы, мотор-редукторы, устройства плавного пуска, преобразователи частоты