Мотор-редукторы планетарные МРВ-02 и МРВ-04: характеристики, устройство, принцип работы, цена

Мотор-редукторы планетарные МРВ-02  МРВ-04
Малогабаритные планетарные редукторы серии МРВ-02, МРВ-04 применяются в качестве привода машин в химической промышленности. Серия МРВ выпускается в двух типоразмерах и креплением на опорном фланце. Мотор-редукторы имеют низкую массу и высокую перегрузочную способность. Более подробную информацию можно получить у наших инженеров.

 

 

УСЛОВИЯ ПРИМЕНЕНИЯ РЕДУКТОРОВ

  • Направление вращения выходного вала в любую сторону без потери момента
  • Режим работы до 24 час/сут, режим работы S1 (ГОСТ 183-74)
  • Питание от сети переменного тока 220/380В с частотой 50 Гц
  • Климатические условия (У, Т) категория размещения (1, 2)
  • Степень запыленности помещения где находится мотор-редуктор не более 10мг/м3
  • Рабочий температурный режим от -40°С до +50°С
  • Скорость вращения электродвигателя не более 1500 об/мин
  • Максимально крутящий момент на выходном валу 124 Нм.

 

МРВ-02, МРВ-04
МРВ-02, МРВ-04

 

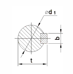
Габаритные и присоединительные размеры

 

Горизонтальное исполнение (крепление на опорном фланеце)

Горизонтальное исполнение (крепление на опорном фланеце)

Выходной вал

Выходной вал

Габарит
L, мм
D4, мм
Масса, кг
4А56А4
170
120
4,3
4А63А4
220
130
6,1
4A71A4
245
200
15,7
4A71B4
245
200
15,7
В63А4
245
160
20
В71B4
265
200
23

 

Размеры, мм
МРВ 02
одноступенчатый
МРВ 02
двухступенчатый
МРВ 04
D
80h9
80h9
110h9
D1
130
130
175
D2
110
110
150
D3
152
152
205
l
33
33
45
l1
2
2
2
l2
3
3
3
l3
5
5
6
L1max
160
208
244
L2
9
9
10
L3
60
60
80
d1
18K6
18K6
22К6
t
20,5
20,5
24,5
b
6h9
6h9
6h9
d2
11
11
11
n
3
3
4
Масса без мотора, кг
5,6
5,6
11,3

 


Технические характеристики


Тип мотор-редуктора
Передаточное число i
Частота вращения выходного вала, об/мин
Крутящий момент на выходном валу, Н*м
Электродвигатель
Масса мотор-редуктора, кг
тип электродвигателя
Мощность, кВт
Масса без мотора, кг
МРВ02-0,75 / 355
4
355
20
АИР71В4
0,75
15,7
20
МРВ02-0,75 / 280
5,14
280
25
МРВ02-0,75 / 180
7,7
180
38
МРВ02-0,25 / 85
16
85
27
АИР63А4
0,25
6,1
12
МРВ02-0,25 / 56
26,42
56
40
МРВ02-0,12 / 25
26,42
25
44
АИР56А4
0,12
4,3
10
МРВ04-0,75 / 85
16
85
80
АИР71В4
0,75
15,7
26
МРВ04-0,75 / 56
25,2
56
124
МРВ04-0,25 / 37,5
39,6
37,5
62
АИР63А4
0,25
6,1
16
МРВ04-0,25 / 25
59,44
25
92

 


 
© 2014 Редукторы, мотор-редукторы, устройства плавного пуска, преобразователи частоты